3rd Generation Webster Page


Home                               Craigs Pages                               Heathers Pages

NOTE: this webserver and the accompanying code are obsolete. Do not use this for any new designs !

This generation of Webster is a high performance web server that conserves power while serving up our personal website. It was designed as a replacement for Webster 1 which just didn't have the performance necessary to be viable.  With this 3rd generation Webster I can serve up our images and my music files in realtime.

3rd Generation Webster's features include:

  1. Low power operation. Only 250 mA is required at 3.3 volts or about 0.8 watts.
  2. Small size. The prototype, see photo below, is about the size of a hardbound book.
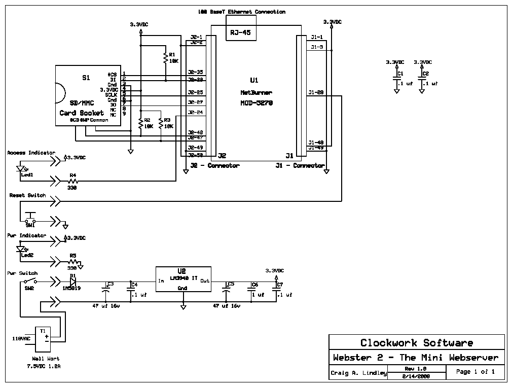
  3. Built using the the inexpensive yet powerful NetBurner MOD-5270 ethernet module which contains a 32 bit Cold Fire processor running at 147 MHz.
  4. 100 baseT Ethernet connectivity.
  5. Support for static and dynamic (DHCP) IP address assignment
  6. Support for basic authentication for website access control.
  7. Support for secure FTP as a means of updating website content.
  8. SD memory card support with FAT file system for web pages storage.
  9. Easy to build. Webster 2 consists of a MOD-5270 module, a small power suppy and some LEDs.

Photo of the 3rd generation Webster
inside
outside
schematic1

3rd Generation Webster Parts List

Designation

Value

Notes

C1,C2,C4,C7

.1 uf

Bypass capacitors

C3,C5

47 uf @ 16v

Electrolytic polarized

C6

1 uf

Bypass capacitor

R1,R2,R3 10K ohm 1/4 watt 5%

R4,R5

330 ohm 1/4 watt 5%


S1 SD card socket Any manufacture
SW1 SPST  momentary push button Reset switch

SW2

SPST switch off/on

Power switch

D1

1N5819 diode


Led1, Led2

LEDs any color

Power on and access indicators

U1

NetBurner MOD-5270 ethernet module

Microprocessor, memory and ethernet controller

U2

LM3940IT-3.3

3.3 volt regulator

T1

Wall wort power supply 7.5 VDC @ 1.2A

Cincon Electronics Model TR10R075

J1 connector, J2 connector Each 2 rows of 25 pins on .1" centers Matches with plugs on MOD-5270

Chassis

Size to fit


Misc. hardware

Pref board, wire, screws, nuts and spacers

For mounting modules



Home                               Craigs Pages                               Heathers Pages