1st Generation Webster Page


Home                               Craigs Pages                               Heathers Pages

NOTE: this webserver and the accompanying code are obsolete. Do not use this for any new designs !

I built Webster - The Mini Webserver, as a means to conserve power while serving up our personal website and to see if it could be done. Webster was not a high performance webserver so some of the pages took a long time to serve up. I've designed a 3rd and 4th generation of Webster to eliminate the performance issues that plagued Webster 1. 

Webster 1's features include:

  1. Low power operation. Only 160 mA is required in the idle state and 300mA when actively serving pages. At 9 volts this works out to about 2.7 watts.
  2. Small size. The prototype, see Photo, is about the size of a hardbound book.
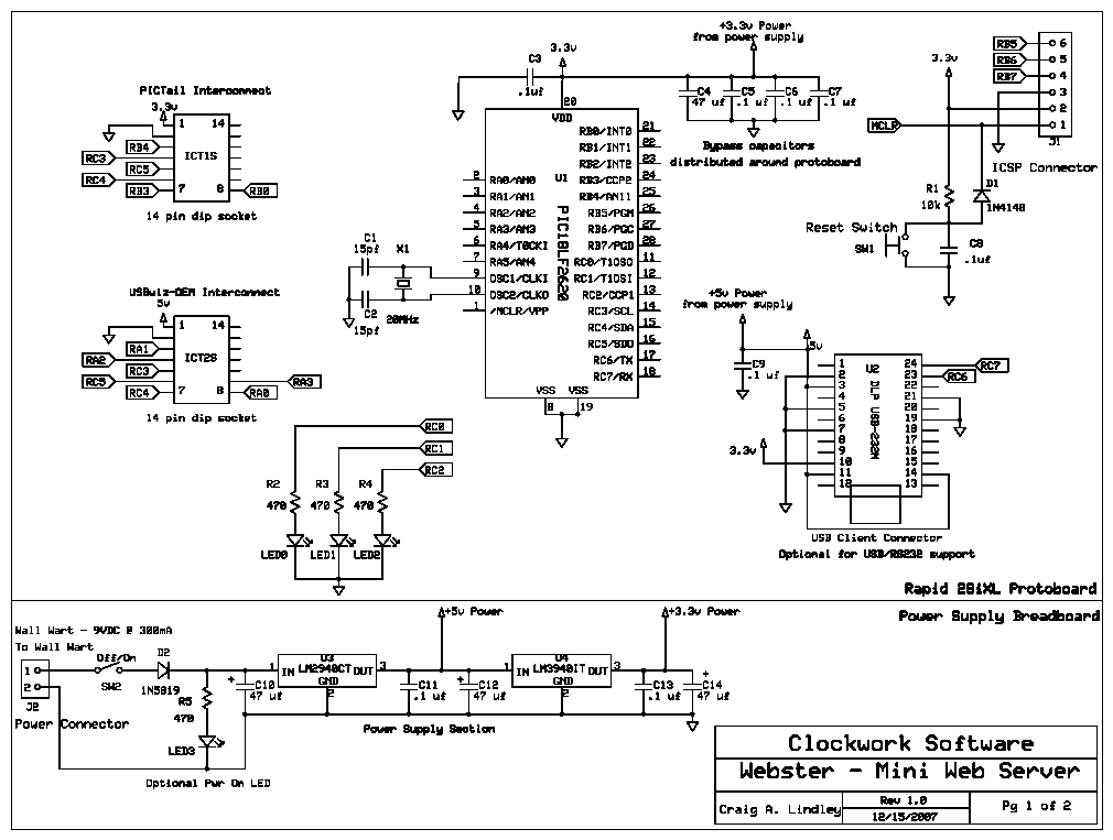
  3. Built using the highly integrated PIC18LF2620 microcontroller (uC).
  4. 10 baseT Ethernet connectivity.
  5. Support for static and dynamic (DHCP) IP address assignment
  6. TCPIP support using version 4.16 of the Microchip TCPIP stack optimized for serving static HTML pages.
  7. Support for basic authentication for website access control.
  8. USB host interface with FAT file system allows web page storage on pluggable USB flash drives or SD media.
  9. Easy to build. Webster is mostly made up of assembled and tested modules.

Webster is described in the July 2008 issue of Nuts and Volts magazine. If you would like to read the Webster article, click here.

Photo of the Webster Prototype
Prototype
schematic1
schematic 2

Webster Parts List

Designation

Value

Notes

C1,C2

15 pf


C3,C5,C6,C7,C8,C9,C11,C13

.1 uf

Bypass capacitors

C4,C10,C12,C14

47 uf @ 16v

Electrolytic polarized

R1

10K ohm 1/4 watt 5%


R2,R3,R4,R5

470 ohm 1/4 watt 5%


J1

5 pin

ICSP connector (male)

J2

2 pin

Power connector (female)

SW1

SPST momentary pushbutton

Reset switch

SW2

SPST switch

Power switch

ICT1S,ICT2S

14 pin wire wrap sockets

Interconnect socket

ICT1H,ICT2H

14 pin component headers

Interconnect header

D1

1N4148 diode


D2

1N5819 diode


LED0,LED1,LED2,LED3

LEDs any color

LED3 optional

X1

20 MHz crystal


U1

PIC18LF2620

Microcontroller

U2

DLP USB232M-G

Optional see text

U3

LM2940CT-5V

5 volt regulator

U4

LM3940IT-3.3

3.3 volt regulator

U5

USBwiz-OEM

USB host/FAT filesystem

U6

PICTail Plus

Ethernet module

USB Flash Drive

1 GByte typical

Web page storage medium

Prototyping board

Rapid28iXL

DHMicro

Power supply wall wort

9 VDC @ 300 mA or greater

Any manufacturer

Wire wrap socket

24 pin

For optional USB232M-G

Chassis

Size to fit


Misc. hardware

Screws, nuts and spacers

For mounting modules



Home                               Craigs Pages                               Heathers Pages